致力于精密运动控制-智联微

NSOPA082:高压通用运算放大器的性能标杆——国产双通道运放解决方案深度解析

通用运算放大器,一般具有价格低廉、性能均衡的特点,其性能指标(如增益、带宽、失调电压)能满足大多数常规场景需求,广泛覆盖工业控制、电源管理、消费电子等场景。而NSOPA082是由纳芯微推出的双通道通用运算放大器,具备低失调、高压摆率、宽电压范围等优势,可成为通用型运算放大器的优选方案。

一、产品定位

NSOPA082属于纳芯微高压通用运算放大器NSOPA08x系列(含双通道082与四通道084)的一员,“双通道集成+通用型适配”:

  • 双通道集成:单芯片集成两路独立运算放大器,节省PCB布局空间与物料成本,适配需要多路信号并行处理的场景;
  • 通用型适配:支持闭环放大、有源滤波、开环比较器等多种工作模式,可替代传统分立运放方案,降低系统复杂度。

NSOPA082器件可提供优异的参数,特别适用于需要高电压信号的高转换率和成本敏感应用,例如电机驱动器和逆变器系统,可在严苛的应用环境中使用。同时,官网标称:该系列产品相较于国际知名产品TL08x系列能提供行业领先的性能。

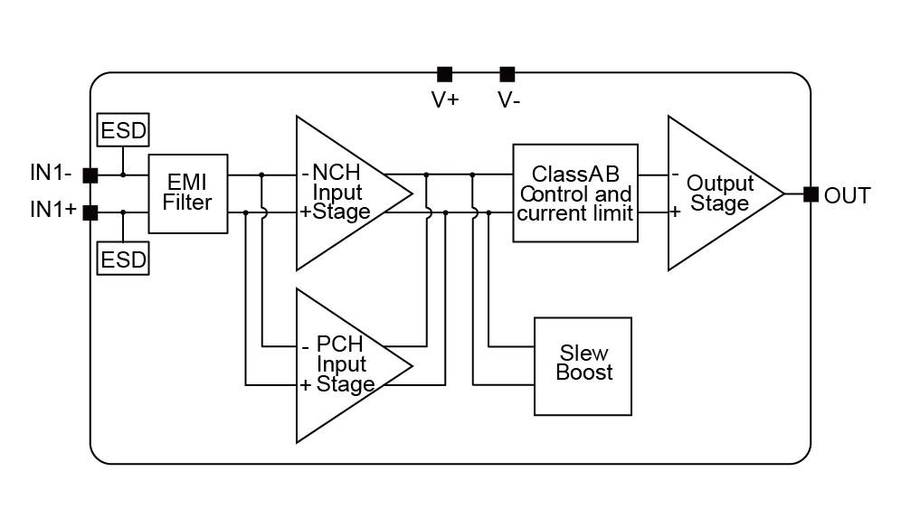
功能框图

 二、性能解析

NSOPA082在精度、响应速度、抗干扰性、可靠性等核心维度均表现优异:

  • 高精度表现:输入失调电压典型值为0.5mV,失调电压漂移低至1uV/℃,在-40℃至125℃宽温域下可保持稳定精度,避免温度波动导致的测量误差;而TL082的下一代产品,性能更优的TL082H,对应参数为1mV、2uV/℃,在静态精度和温漂稳定性上略逊于国产。
  • 高动态响应:NSOPA082压摆率典型值为30V/us(正向)、20V/us(负向),单位增益带宽6MHz,10V阶跃信号建立时间(0.1%精度)为0.8us,过载恢复时间200ns,脉冲兼容性优异,可快速响应复杂信号;TL082H压摆率为20V/us,带宽为5.25MHz,过载恢复时间300ns,NSOPA082性能更优。
  • 宽工作范围:电源电压覆盖4.5V~36V(单电源)或±2.25V~±18V(双电源),其最大值略低于TL082H(40V/±20V),共模输入电压范围包含正电源轨,差分输入电压可接近电源轨,适配各类高压供电架构。
  • 强抗干扰与高保真:集成EMI与RF滤波器,1GHz频率下EMI抑制比(EMIRR)达66dB,共模抑制比(CMRR)典型值109dB,输入电压噪声密度(10kHz)为15nV/√Hz,能有效抵御工业环境中的射频干扰与共模干扰,弱信号采集时保真度高;同条件下,TL082H的EMI抑制比为53dB、CMRR为105dB、噪声密度21nV/√Hz,抗干扰能力与信号纯净度不及NSOPA082,在密集电路布局或强干扰场景中易受影响。
  • 高可靠性设计:ESD防护达±2kV(HBM/CDM),具备输出短路保护,总谐波失真(THD+N)低至-105dB(略逊于TL082H),满足高可靠性要求;内部搭载压摆率提升模块(Slew Boost),可优化正负向电流传输效率,进一步提升响应速度。

综合来看,NSOPA082在静态精度、动态响应、抗干扰能力等核心性能维度全面超越TL082H,虽在总谐波失真、工作电压范围及功耗上略逊,但整体性能相对更均衡,也印证了其官网标称:行业领先的性能。

 三、参数汇总

参数类别 NSOPA082 TL082H
压摆率 30V/us 20V/us
单位增益带宽 6MHz 5.25MHz
偏移电压 0.5mV 1mV
偏移电压漂移 1uV/℃ 2uV/℃
功耗 1200uA/通道 1143uA
共模抑制比(CMRR) 109dB 105dB
电源电压范围 4.5V~36V(单电源)/±2.25V~±18V(双电源) 4.5V~40V/±2.25V~±20V
低噪声@10kHz 15nV/√Hz 21nV/√Hz
总谐波失真 -105dB 约为-108dB
工作温度 -40℃~125℃ -40℃~125℃
封装 SOP8;MSOP8 SOIC;SOT-23;TSSOP(均为8引脚)

四、应用场景

NSOPA082凭借通用型设计与高性能表现,可广泛适配工业与消费电子多场景:

1、有源滤波

适配Sallen-Key二阶低通/高通/带通滤波器,其低噪声、高CMRR特性,可有效滤除工业环境中的工频干扰与高频噪声。典型设计案例:1kHz低通滤波器可配置R1=9.1kΩ、R2=13kΩ、C1=10nF、C2=20.5nF,可实现稳定的幅频与相频特性。

2、高边电流检测

借助宽共模电压范围与高精度,适配电源总线、电机绕组的高边电流监测,配合匹配电阻(推荐0.1%精度),检测误差小。强EMI抑制能力,可避免总线干扰导致的检测失真。

3、工业过程控制

用于PLC、DCS系统的信号处理单元,适配流量、压力、液位等工业传感器的信号放大,以及过程控制中的阈值判断(开环比较器模式),宽温域与高抗干扰特性,可应对恶劣工况环境。

4、电源控制与监测

宽电压供电适配不同电源架构,输出短路保护避免电源故障导致的器件损坏,可用于逆变器、开关电源的电压/电流反馈环路,电压摆率确保反馈响应快速,稳定电源输出。

5、数据采集

可凭借低噪声、高精度特性,适配数据采集系统中的信号调理环节,可精准放大传感器输出的微弱信号,为后续ADC转换提供高质量输入,应用于测试仪器、设备数据采集模块。

五、结语

NSOPA082以“双通道集成+高性能+宽适配+高可靠性”为核心,既解决了传统单通道运放布局繁琐、成本高的问题,又突破了通用运放在高压、高噪声环境下的性能瓶颈。相较于国际产品TL082H,其在响应速度、抗干扰能力、精度稳定性等关键指标上全面领先,同时保留了通用运放的高性价比与灵活适配性。对于终端企业而言,NSOPA082不仅能简化系统设计、降低总成本,更能通过本土化供应保障供应链安全,成为通用运算放大器优选。

如需了解更多有关NSOPA08x系列高压通用运算放大器的信息或申请样品,可联系官方授权代理商:sales@chiplinkstech.com(邮箱),微信号:智联微-电机控制芯片,可提供选型服务和技术支持

附样品申请:

微信公众号

赞(1)
未经允许不得转载:TRINAMIC代理商 步进电机驱动 驱动IC 深圳市智联微电子有限公司 » NSOPA082:高压通用运算放大器的性能标杆——国产双通道运放解决方案深度解析