在工业自动化、新能源以及高端装备领域,稳定的信号隔离是系统安全的生命线。面对市场上成熟的进口解决方案,国产芯片正凭借性能升级与成本优势实现突围。今天,我们将深入解析纳芯微电子NSI8100,并对比业界熟知的德州仪器ISO1640(ISO1540的升级款),看国产器件如何凭借硬实力成为设计升级的优选答案。

一、产品定位同源:高可靠的I2C隔离解决方案
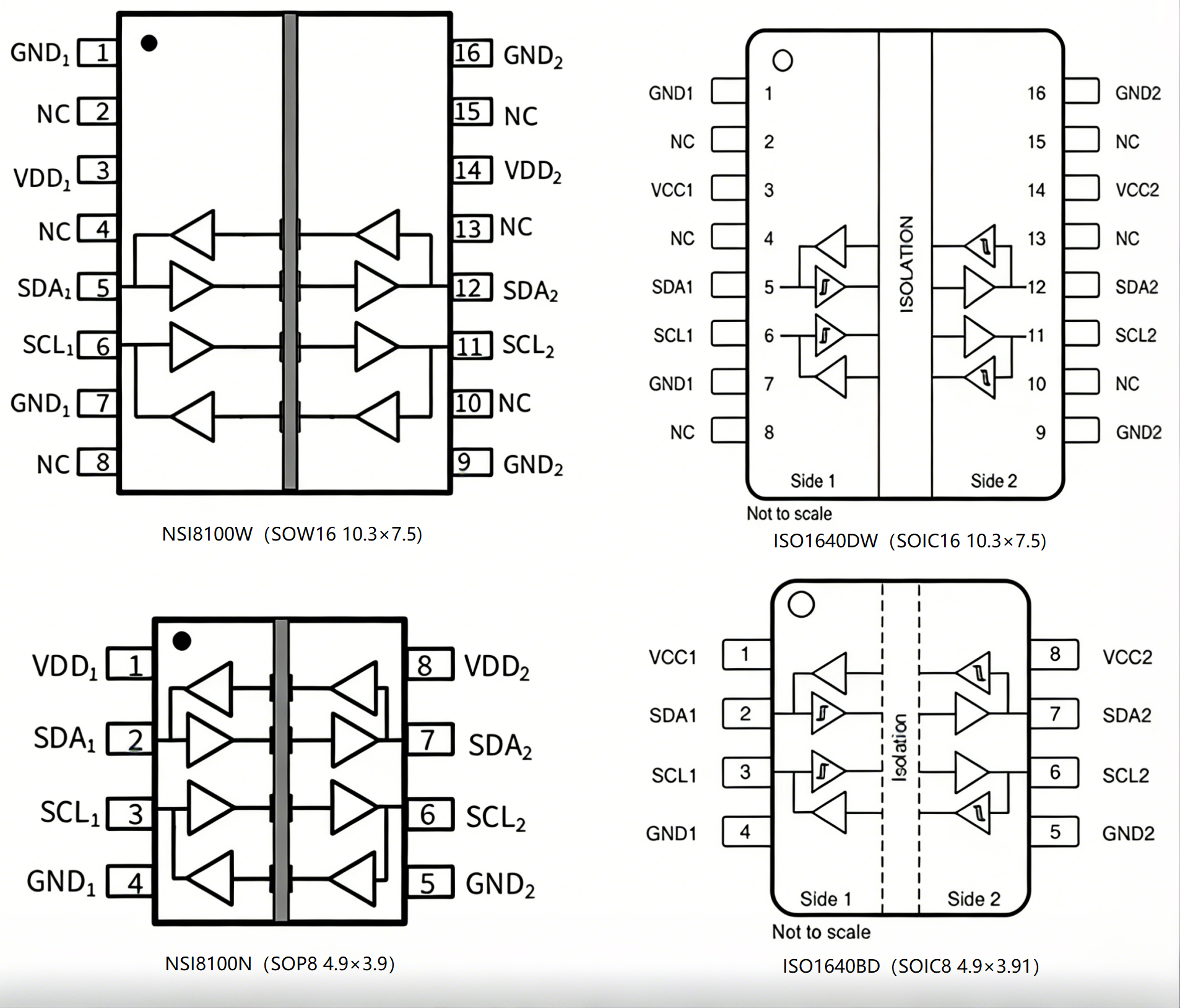
NSI8100与ISO1640均聚焦I2C总线的电气隔离要求,核心定位高度一致。
- 核心功能:实现I2C/SMBus/PMBus接口的双向信号隔离,阻断高低压域之间的电气连接,抑制共模干扰,保护敏感电路。
- 适用场景:新能源汽车电池管理系统(BMS)、工业伺服驱动、储能逆变器、高压电源模块等需要高低压隔离通信的场景。
- 技术架构:均采用电容隔离技术(SiO2隔离屏障),可替代传统光耦方案,具备更快响应速度、更低功耗与更长寿命。
- 品质认证:均通过AEC-Q100认证,工温可覆盖-40℃~125℃,满足汽车电子与工业级的严苛环境要求。
二、核心性能参数对比
纳芯微的NSI8100在绝大多数性能指标上超越TI的ISO1640,具备明显的优势。虽然ISO1640在热插拔支持和ESD保护方面提供了独特的系统级功能,但在大部分通用场景中,NSI8100可作为ISO1640的高性能、低成本替代方案。
| 性能指标 | NSI8100 | ISO1640 |
| 隔离电压 | SOP8封装:3.75kVrms;SOW16封装:5kVrms | 16-DW封装:5kVrms;8-D封装·:3kVrms |
| 最大时钟频率 | 2.0MHz | 1.7MHz |
| 共模瞬态抗扰度 | 150kV/us | 100kV/us |
| 电源电压范围 | 2.5V~5.5V(两侧对称) | 3.0V~5.5V(侧1)/2.25V~5.5V(侧2) |
| 典型传播延迟 | tPLH12=24.8ns,tPHL12=32.8ns(VDD=5V,无负载) | tPLH1-2=21ns,tPHL1-2=59ns(VDD=5V,C2=10pF) |
| 静态功耗 | 1.5mA/ch | ICC1=5.2mA,ICC2=4.9mA |
| ESD防护等级 | HBM±6kV,CDM±2kV | 侧2总线引脚:±8kV IEC-ESD接触放电(未上电);侧1:±6kV HBM |
| 特殊功能 | 内部防总线低电平闩锁设计 | 热插拔支持 |
三、国产优势解析:性能超越
1、适配更灵活
在核心参数隔离电压上,两款器件主流封装下均提供5kVrms的顶级工业隔离,但8引脚封装下,NSI8100略高,通用场景防护更充足。同时,NSI8100采用2.5V至5.5V的宽范围对称供电,而ISO1640两侧电压范围不完全对称且门槛稍高。这使得NSI8100能无缝兼容更多种类的低压MCU,简化系统电源架构设计。略优的隔离电压加上更宽的电压范围及更低的功耗,NSI8100相对而言适配更灵活。
2、运行更稳定
在电机驱动、光伏逆变器等强噪声环境中,共模瞬态抗扰度(CMTI)直接决定通信稳定性。NSI8100高达150kV/us的CMTI,相比ISO1640(100kV/us)而言,能抵御更强的瞬时电压冲击,有效抵抗多电源系统中上电时序异步、地电位波动带来的共模噪声,降低系统启动失败或通信异常的概率。
3、通信更高效
对于需要快速响应的系统,NSI8100的2MHz最大时钟频率比ISO1640的1.7MHz更具余量,适配高速SMBus/PMBus数据传输(如储能BMS多电芯监测)。同时,其32.8ns的下降沿传播延迟远低于ISO1640的59ns,在多节点、长总线应用中信号同步性更优,无“拖尾”干扰,减少数据传输误码率。
4、成本更可控
在保证顶尖性能的同时,NSI8100带来了更具竞争力的总拥有成本(TCO)优势。其直接物料成本通常更具吸引力,结合本土化生产和供应,能为企业有效缓解成本压力并保障供应链安全,避免潜在的断供风险。
四、功能差异化:各有所长
ISO1640的独特功能:ISO1640最大的差异化价值在于其集成热插拔控制器,允许在系统不断电的情况下安全地插入或拔出I2C模块。这使其在测试设备、模块化仪器、可插拔通信背板等场景中更具优势。此外,其较高的ESD保护能力也为接口提供了额外安全保障。
NSI8100的设计优势:NSI8100虽然没有集成热插拔功能,但其内部防低电平闩锁设计解决了一个常见于隔离I2C电路中的隐蔽问题——当隔离器件两侧上电时序不当或电源异常时,总线可能被“锁死”在低电平。NSI8100通过内部偏置电路有效预防了此问题,提升了系统鲁棒性,简化了外围电路设计。
五、替代兼容性:无缝衔接,零成本迁移
部分国产替代的核心痛点之一是兼容性,而NSI8100却能与ISO1640实现高度兼容。
1、硬件层面:即插即用的替换体验
- 引脚定义匹配:两款器件的SDA、SCL、VDD、GND等关键引脚位置一一对应,SOP8/SOIC8、SOW16/SOIC16封装的引脚间距与封装尺寸几乎完全一致,无需修改PCB版图即可直接替换。
- 电源设计覆盖:NSI8100的2.5V至5.5V的宽供电范围完全覆盖ISO1640的工作电压需求,与主流MCU、传感器的电源系统兼容,无需额外增加电平转换电路。
- 热设计兼容:两款器件的功耗水平接近,NSI8100的低功耗特性更利于散热,在密集布局的PCB板上可直接复用原有散热设计。
2、软件层面:协议透明化适配
- I2C协议天然兼容:两款器件均为透明式隔离器,不改变I2C总线的通信协议与时序逻辑,主机与从机无需修改软件代码即可正常通信。
- 寄存器配置无差异:均无需额外配置寄存器,上电即可工作,避免了替代过程中额外的软件调试成本。

六、结语
从行业趋势来看,随着新能源汽车、储能等高压场景的快速扩张,I2C隔离器的市场需求将持续增长。纳芯微NSI8100作为国产高性能I2C隔离器,在核心性能上实现对ISO1640的超越,加上精准兼容设计,可成为通用场景中“高性能+低成本”的优选替代方案;而ISO1640凭借其热插拔功能,在特定应用领域建立了护城河。
对于本土终端企业而言,NSI8100不仅能满足绝大多数场景的性能需求,更能通过本土化供应与成本优势降低项目风险。未来,随着国产器件在长期可靠性、极端环境适应性等方面的持续验证,国产隔离器将在更多高端场景实现突围,推动中国半导体产业链自主可控升级。如需了解更多有关NSI8100的信息或申请样品,可联系官方授权代理商:sales@chiplinkstech.com(邮箱),微信号:智联微-电机控制芯片,提供选型服务与技术支持。
附样品申请:

微信公众号

TRINAMIC代理商 步进电机驱动 驱动IC 深圳市智联微电子有限公司






